.30-06 Springfield
Z Multimediaexpo.cz
Náboj .30-06 Springfield má ráži .308" (7,62mm). V americké armádě se začal používat roku 1906 a jeho používání pokračovalo až do 60. let 20. století, kdy byl nahrazen nábojem 7,62 x 51 mm NATO . Ale ještě v 70. letech 20. století se používal v kulometech.
Obsah |
Náboje které nahradil
Byl vyvinut z téměř identického náboje .30-03 malým zkrácením nábojnice a zvýšením úsťové rychlosti. Zavedením tohoto náboje se také přestaly používat starší náboje .30-40 Krag a 6 mm Lee Navy. Po vzoru německého 8 x 57 IS a francouzského 8 mm Lebel byla u tohoto náboje zaveda špičaná střela, která znamenala podstatné zlepšení dostřelu i balistické křivky - dráha střely byla plošší.
Zbraně které používaly tento náboje
Opakovací puška Springfield M 1903, která se začala používat kdysi spolu s nábojem .30-03 byla rychle modifikována na náboj .30-06 Springfield. Používal se také v pušce M1917 Enfield, poloautomatické M1 Garand, automatické M1918 Browning a mnohých kulometech, např. série M1919.
Použití
USA tento náboj používaly v obou světových válkách a v Korejské válce. Posledního velkého využití se dočkal ve Vietnamské válce
Tento náboj je vhodný pro lov velkých savců jako je jelen nebo los
Výkon
Jedná se o velmi silný náboj. Byl zkonstruován v době, kdy se předpokládala střelba na 1000m. V roce 1906 obsahoval střelu o hmotnosti 150 grainů (9,7g), pláštovanou střelu s plochým dnem. Po První světové válce bylo potřeba zvýšit výkon na dlouhou vzdálenost u kulometů a tak se začala používat střela o hmotnosti 173 grainů (11,2g) tvaru boat-tail.
Varianty používané Americkou armádou
- Armor Piercing, M2 - průbojný náboj proti lehce pancéřovaným cílům.
- Armor Piercing Incendiary, T15/M14 and M14A1 - průbojný a zápalný náboj.
- Ball, M1906
- Ball, M1
- Ball, M2
- Blank, M1909 - slepý náboj, neobsahuje projektil.
- Dummy, M40 - cvičný náboj; Neobsahuje střelný prach ani zápalku.
- Explosive, T99
- Incendiary, M1917 - zápalný náboj.
- Incendiary, M1918 - zápalný náboj.
- Incendiary, M1 - zápalný náboj.
- Match, M72 - náboj pro soutěžní přesnou střelbu.
- Tracer, M1 - náboj se stopovkou.
- Tracer, M2 - náboj se stopovkou.
- Tracer, T10/M25 - náboj se stopovkou.
Příklady zbraní americké armády používající tento náboj
- M1903 Springfield
- Gatling gun
- Model 1909.
- Chauchat
- Lewis gun
- M1917 Enfield
- M1917 kulomet
- M1918 Browning
- M1 Garand
- M1941 Johnson rifle
- M1941 Johnson LMG
Lovecké náboje odvozené od tohoto náboje
Byl z něj také vytvořen náboj 7,62 x 51 mm NATO - viz 7,62 x 51 mm NATO.
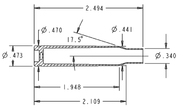
Specifikace
Varianty používané U.S. armádou:
- Ball Cartridge, caliber 30, Model of 1906 - používán za 1. světové války, zaveden společně s opakovačkou Springfield 1903. 9,6 g, 820 m/s, 3.228 J.
- Cartridge, Ball, caliber 30 M1 - zaveden v roce 1926 - 11 g, 820 m/s, 3.698 J, později 805 m/s, 3.564 J.
- Cartridge, Ball, caliber 30 M2 - zaveden v roce 1940 - 9,6 g, 820 m/s, 3.228 J. Pro použití s slavnou samonabíjecí M1 Garand, pro použití v kulometech zůstal 30 M1.
základní parametry náboje:
- Průměr střely: .308" (7.85 mm)
- Celková délka náboje: 3.34" (84.84 mm)
- Největší průměr nábojnice: 12,01 mm - shodný s 7,62 x 51 mm NATO
Typ zápalky: velká pušková
Pro ovecké provedení byl náboj uvolněn již v roce 1908. Používají se do něj střely od 3,56g až do 16,2g. Se střelou 11g se obvykle laboruje na 800 m/s, 3.520 J. Je dosud považován americkými lovci za standard a ostatní náboje jsou s ním srovnávány.
Synonyma názvu
- .30 Springfield
- .30 Browning
- .30 US M.1906
- .30-200-06
- 7,62 mm Long
- 7,62 mm M.1949
- 7,62 x 63 US
- (7,62 x 63)
Související články
Externí odkazy
| Náklady na energie a provoz naší encyklopedie prudce vzrostly. Potřebujeme vaši podporu... Kolik ?? To je na Vás. Náš FIO účet — 2500575897 / 2010 |
|---|
| Informace o článku.
Článek je převzat z Wikipedie, otevřené encyklopedie, do které přispívají dobrovolníci z celého světa. |

