Foreground plně podporuje – RWD, HTML 5.0, Super Galerii a YouTube 2.0 !
Usměrňovač
Z Multimediaexpo.cz
Usměrňovač je elektrické zařízení, které se používá k přeměně střídavého elektrického proudu na proud stejnosměrný. Protože elektronické obvody ke své činnosti obvykle potřebují stejnosměrný proud a k distribuci elektrické energie se využívá proud střídavý, bývá usměrňovač součástí většiny elektrických přístrojů a zařízení spotřební elektroniky, napájených z elektrické sítě. Usměrňovače se také v hojné míře používají v napájecích soustavách elektrických trakčních vozidel (kupř. pro pohon lokomotiv, tramvají, trolejbusů či vozů metra).
V současnosti se používají téměř výhradně polovodičové usměrňovače na bázi křemíku, kterými byla ostatní zařízení prakticky vytlačena, i když není vyloučeno že vzniknou nová zařízení založená na karbidu křemíku, jehož předpokládanou výhodou je možnost provozu při vyšší teplotě.
Obecně mohou být realizovány usměrňovače:
V současné době se používají téměř výhradně usměrňovače křemíkové.
Pro průmyslové účely se na přeměnu střídavého na stejnosměrný proud používalo dříve také spojení elektromotoru a dynama - motorgenerátor (neboli Ward-Leonardovo soustrojí).
Z hlediska principu činnosti rozlišujeme tři typy usměrňovačů:
- neřízený usměrňovač (diodový)
- řízený usměrňovač (tyristorový, polořízený nebo plně řízený)
- aktivní usměrňovač (na bázi IGBT tranzistorů)
Z hlediska připojení na napájecí síť lze rozlišit usměrňovače
- jednofázové (jednocestný/jednopulsní, dvoucestný/dvoupulsní)
- třífázové (šestipulsní nebo dvanáctipulsní)
- vícefázové (v podstatě pouze teoretická možnost)
Nevýhodou klasických diodových nebo tyristorových usměrňovačů je, že odebírají ze sítě zkreslený nesinusový průběh proudu. Tuto nevýhodu řeší aktivní usměrňovače. Aktivní usměrňovače jsou sofistikovaná elektronická zařízení využívající pulsně šířkovou modulaci, mají ve srovnání s klasickými usměrňovači vyšší ztráty a vyšší hodnotu usměrněného napětí, ale umožňují rekuperaci.
Zapojení neřízeného usměrňovače
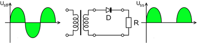
Jednocestný usměrňovač propouští pouze jednu půlvlnu vstupního napětí. Má tudíž pouze poloviční účinnost a používá se především u zařízeních s velmi nízkým odběrem proudu. Jde o nejjednodušší zapojení usměrňovače, které vyžaduje pouze jednu diodu..
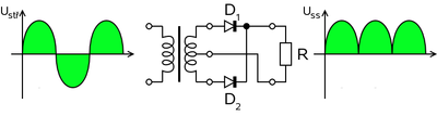
Dvoucestný usměrňovač propouští obě půlvlny vstupního napětí. Pokud je usměrňovač připojen na transformátor s dvojitým sekundárním vinutím, je možné jej realizovat pomocí dvou diod.
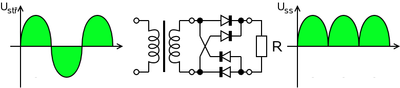
Nejpoužívanějším typem dvoucestného usměrňovače je Grätzův můstek. Jde o zapojení využívající čtyři diody v můstkovém zapojení.
Filtrační kondenzátor
Pro vyhlazení tepavého napětí se používá tzv. filtrační kondenzátor, jehož kapacita se spočítá
\( C = \frac{k \cdot I_{vyst}}{p \cdot U_{ss}} \) [mF]
kde
\(k\) je konstanta (pro dvoucestné zapojení je rovna 200, pro jednocestné usměrnění 400)
\(I_{vyst}\) [A] proud zátěží (určí se podle elektrického odporu, nebo výkonu a napětí)
\(p\) [%] je tzv. činitel zvlnění (je-li 0% pak požadujeme dokonale vyhlazené napětí na výstupu)
\(U_{ss}\) [V] je výstupní stejnosměrné napětí
| Náklady na energie a provoz naší encyklopedie prudce vzrostly. Potřebujeme vaši podporu... Kolik ?? To je na Vás. Náš FIO účet — 2500575897 / 2010 |
|---|
| Informace o článku.
Článek je převzat z Wikipedie, otevřené encyklopedie, do které přispívají dobrovolníci z celého světa. |
